变频器在很多机器上都会用到,变频器的作用很大但安装其实也很方便,只需要按照说明书去操作基本就不会有问题。本文重点介绍下电动机变频器接线图,以及变频器怎么调试。

电动机变频器接线图
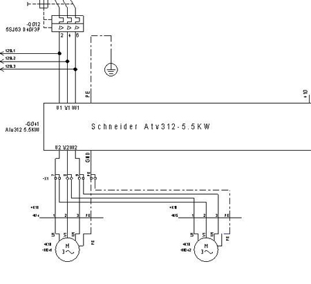
变频器主回路接线具体是:(R、S、T)分别为电源进电,变频器输出端子(U、V、W)分别接到电动机上。
控制回路一般的要电机正转的话,就用一个中间继电器,把这二点控制接点输入公共端和正转启动分别接到中间继电器的常开触点,当中间继电器得电电机正转,失电则电机停止。
需要注意电机的转矩输出能力不够,不同品牌的变频器出厂参数设置不同,在相同的条件下带载能力不同,也可能因变频器控制方法不同造成电机的带载能力不同;或因系统的输出效率不同造成带载能力会有所差异。对于这种情况可以增加转矩提升量的值。如果达不到可用手动转矩提升功能,不要设定过大因为电机这时的温升会增加。如果仍然不行应改用新的控制方法,比如日立变频器采用V/f比值恒定的方法,启动达不到要求时改用无速度传感器空间矢量控制方法,它具有更大的转矩输出能力。对于风机和泵类负载应减少降转矩的曲线值。

变频器怎么调试
变频器与上位机相连进行系统调试在手动的基本设定完成后,如果系统中有上位机,将变频器的控制线直接与上位机控制线相连,并将变频器的操作模式改为端子控制。根据上位机系统的需要,调定变频器接收频率信号端子的量程0~5伏或0~10伏,以及变频器对模拟频率信号采样的响应速度。如果需要另外的监视表头,应选择模拟输出的监视量并调整变频器输出监视量端子的量程。
手动操作变频器面板的运行停止键,观察电机运行停止过程及变频器的显示窗看是否有异常现象。如果启动P停止电机过程中变频器出现过流保护动作,应重新设定加速P减速时间。电机在加、减速时的加速度取决于加速转矩,而变频器在启和制动过程中的频率变化率是用户设定的。
本文重点介绍了电动机变频器接线图,以及变频器怎么调试。变频器接线图在说明书上都会有,大家很容易就能够看懂。当然真正安装变频器的都是专业人员,所以不会存在什么问题。